Description
The INJ-101GT-BT-24V is a IEEE802.3af/at/bt PoE injector. It is intelligent detection that provided 1-port 10/100/1000Base-T (X) PoE outputs. The device does not turn on until it detects a valid PoE signature from the PoE devices attached downstream on the Ethernet cable. This protection against damage to non-PoE compliant equipment which may connected to the Ethernet cable. Therefore, only an IEEE 802.3af/at/bt compliant device can be powered with the INJ-101GT-BT-24V Injector, typically in Gigabit networks the maximum allowable CAT5 cable length is about 100 meters due to the limitation of the Ethernet standards. The INJ-101GT-BT-24V PoE Injector can function with any PoE equipment which is fully compliant with the IEEE 802.3af/at/bt PoE standards.
Features
- PoE++ Injector for 1x10/100/1000Base-T(X)
- Fully compliant with IEEE802.3af/at/bt standard
- Auto protection for Over Voltage Power Input and over current output
- Supports totally Power Output up to 90 Watts.
- Support wide range power input from 12 to 57VDC
- High reliability and rigid IP-30 housing
- DIN-Rail and Wall Mount
Downloads |
|---|
| Datasheet | Version | Checksum | Release Date | Release Note | Size |
|---|
| INJ-101GT-BT-24V | | | December 11, 2025 | | 774.40 kB |
|
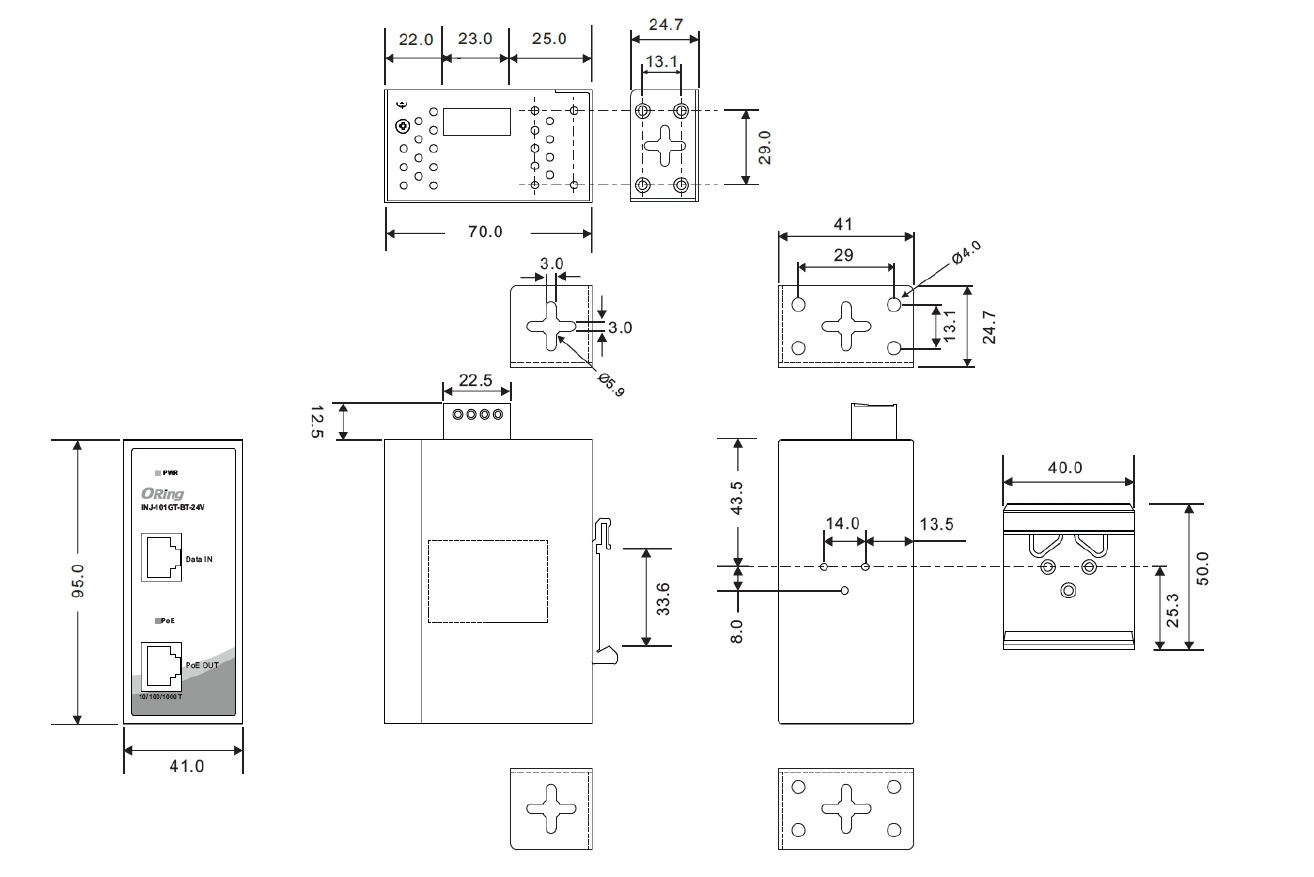
Dimensions |
|---|
 |